Компания
О компании
Сертификаты
Отзывы
Бренды
Акции
Услуги
Демонтажные работы
Монтаж освещения
Монтаж электроточек
Наружные сети
Обследование объекта
Подготовительные работы
Прокладка кабеля
Разработка проектной документации
Установка распределительного щитка
Информация
Реквизиты
Магазины
Помощь
Условия оплаты
Условия доставки
Гарантия на товар
Вопрос-ответ
Контакты
Новости
+7 (917) 968-98-95
Заказать звонок
Каталог
Высоковольтное и щитовое оборудование
Высоковольтное оборудование
Изоляторы высоковольтные
Оборудование высоковольтное коммутационное
Оборудование для ЛЭП
Трансформаторы высоковольтные силовые
Щиты и шкафы, шинопровод
Аксессуары и комплектующие для щитов и шкафов
Клеммные зажимы
Климатическое оборудование для щитов и шкафов
Комплектное щитовое оборудование
Корпуса щитов и шкафов
Системы сборных шин
Телекоммуникационные шкафы и аксессуары
Шинопровод
Шкафы сборной конструкции
Щиты и панели для счетчиков электроэнергии
Генераторы электроэнергии и элементы питания
Батарейки, аккумуляторы, зарядные устройства
Аккумуляторы
Батарейки
Зарядные устройства
Генераторы электроэнергии
Бензо-дизельные генераторы
Ветряные генераторы
Фотоэлектрические установки
Изделия для электромонтажа
Арматура кабельная/Изоляционные материалы
Аксессуары для светильников
Аксессуары кабельные
Кабельные наконечники и соединители (гильзы)
Муфты кабельные
Термоусаживаемые и изоляционные материалы
Указатели напряжения и устройства безопасности
Изделия крепежные, метизы
Анкерный крепеж
Болты, винты
Втулки, резьбовые шпильки
Гайки, шайбы
Гвозди
Дюбели, Шурупы, саморезы
Заклепки
Система хранения и транспортировки
Строительные смеси, герметик, клей, растворитель
Такелаж
Коробки, клеммы и сопутствующие товары
Клеммные зажимы
Коробки распределительные/ установочные и аксессуары
Системы сборных шин
Разъемы, соединители
Разъемы силовые
Система штекерного монтажа электросети зданий
Устройства промышленные, специальные
Электрические соединители различного назначения
Инструменты, техника
Бытовая техника и электроника
Бытовая техника крупная
Бытовая техника мелкая
Бытовая электроника
Инструмент, измерительные приборы и средства защиты
Инструмент ручной, средства для монтажа
Инструменты для опрессовки, резки, снятия изоляции
Клеммные зажимы, распределительные блоки
Оборудование для протяжки кабеля
Предохранители
Рабочая одежда, средства защиты
Указатели напряжения и устройства безопасности
Электроизмерительные приборы
Электроинструменты и аксессуары для них
Оборудование паяльное и сварочное
Газосварочное оборудование
Оборудование паяльное
Средства защиты сварщика
Электросварочное оборудование
Кабеленесущие системы
Системы для прокладки кабеля
Аксессуары для металлических лотков универсальные
Кабель-каналы монтажные и аксессуары
Кабель-каналы напольные и аксессуары
Кабель-каналы настенные (парапетные, для монтажа ЭУИ) и аксессуары
Кабель-каналы перфорированные и аксессуары
Кабель-каналы плинтусные и аксессуары
Лоток кабельный лестничный
Лоток кабельный листовой
Лоток кабельный проволочный
Огнестойкие кабель-каналы
Рукава для защиты кабеля
Система гибких кабель-каналов
Системы монтажные несущие
Трубы для прокладки кабеля
Указатели напряжения и устройства безопасности
Системы напольных и подпольных каналов, электромонтажных колон
Кабельные каналы для установки вровень со стяжкой
Кабельные каналы для установки под полом
Кабельные каналы напольной установки
Лючки и аксессуары
Несущая система фальш полов
Электромонтажные колонны
Кабели, провода и аксессуары
Кабели и провода
Кабели и провода для нестационарной прокладки
Кабели и провода связи
Кабели и провода силовые для стационарной прокладки
Кабели контрольные
Кабели специального назначения
Провода и шнуры различного назначения
Системы ввода и крепления для кабеля
Вводы кабельные и аксессуары
Изделия крепежные для кабеля
Климатические и инженерные системы
Отопительные приборы, вентиляция, технологические и инженерные системы
Вентиляторы
Водонагреватели
Водоснабжение
Кабель нагревательный и аксессуары
Кондиционеры и аксессуары
Оборудование для сауны (бани)
Система водяного отопления
Система электрического отопления
Системы альтернативного отопления
Системы вентиляции
Терморегуляторы, термостаты, приборы управления обогревом
Электрические приводы и двигатели
Сантехника
Арматура трубная, распределение, контроль давления
Ванная комната и туалет
Канализационная система
Компенсаторы сантехнические
Муфты, фитинги сантехнические
Радиаторы, конвекторы
Трубы
Не определено
Матрас
Позиции без привязки к категории
Прочие товары
Низковольтное и промышленное электрооборудование
Датчики/сенсоры
Аксессуары к датчикам
Бесконтактные датчики
Датчики физических величин (напряжения, тока и т.п.)
Позиционные датчики
Низковольтное оборудование
Выключатели дифференцальные модульные
Выключатели нагрузки (рубильники)
Выключатель автоматический модульный
Выключатель автоматический силовой
Дополнительные устройства модульной системы
Источники питания, трансформаторы
Кнопки управления
Контакторы, пускатель магнитный
Низковольтные устройства различного назначения и аксессуары
Переключатели
Посты управления и джойстики
Предохранители
Преобразователи частоты, устройства плавного пуска
Приборы измерения и учета
Сигнальные колонны
Сигнальные лампы и зуммеры
Промышленные контроллеры и автоматизация производства
Логические контроллеры и аксессуары
Программное обеспечение
Промышленная сеть
Средства человеко-машинного интерфейса
Реле
Измерительные реле
Исполнительные реле
Реле времени, таймеры
Реле контроля
Освещение
Лампы (источники света)
Лампы газоразрядные
Лампы галогенные
Лампы люминесцентные
Лампы накаливания
Лампы светодиодные
Лампы специального назначения
Светодиоды
Светотехника
Аварийное освещение и световые указатели
Аксессуары для светильников
Аппаратура пускорегулирующая
Взрывозащищенные световые приборы
Иллюминационное, декоративное освещение
Лента светодиодная и комплектующие
Опоры, мачты освещения
Прожекторы и светильники направленного света
Светильники для освещения высоких пролётов и туннелей
Светильники линейные, для модульных и магистральных систем освещения
Светильники наружного освещения
Светильники настенно-потолочные
Светильники настольные, напольные, станочные
Фонари и переносные световые приборы
Связь, телекоммуникации
Антенны и спутниковые технологии
Антенны и аксессуары
Кабельные технологии
Спутниковые технологии
Домашние системы контроля доступа и комфорта
Домофонные системы
Звонки дверные и аксессуары
Система управления комфортом "Умный дом"
Средства коммуникации
Структурированные кабельные системы
Активное оборудование для СКС
Изделия монтажные для СКС
Компоненты системы на основе медных кабелей
Компоненты системы на основе оптических кабелей
Специальный инструмент для оптоволоконной технологии
Телефонные системы, техника для офиса
Телефонные системы
Техника для офиса
Устройства и средства безопасности
Системы пожарной, охранной сигнализации и аварийного оповещения
Оборудование для видеонаблюдения
Системы аварийного оповещения
Системы охранной сигнализации
Системы пожарной сигнализации
Средства пожаротушения и первой помощи
Система водяного пожаротушения
Средства пожаротушения
Устройства заземления, молниезащиты и защиты от перенапряжений
Устройства заземления
Устройства защиты от перенапряжений
Элементы молниезащиты
Устройства оптической и акустической сигнализации
Взрывозащищенное оборудование
Общепромышленное оборудование
Электроустановочные изделия
Аксессуары для электроустановочных изделий
Адаптер переходный для электроустановочных устройств
Аксессуары для розетки/вилки с защитным контактом стандарта SCHUKO
Аксессуары для электроустановочных устройств
Ввод кабельный для электроустановочных изделий
Вставка светящаяся для электроустановочных устройств
Держатель для модульных бытовых коммутационных аппаратов
Заглушка для розеток, для защиты детей
Запчасти для электроустановочных устройств
Крышка блока световой сигнализации
Материалы монтажные для маркировки
Поле для маркировки для электроустановочных устройств
Блоки комбинированные
Блок "Выключатель-розетка"
Блок выключателей/кнопок/розеток
Коробка распределительная для установки в полой стене с предварительно установленным коммутационным устройством
Вилки
Вилка с защитным контактом бытовая SCHUKO
Вилка с защитным контактом для приборов стандарта SCHUKO
Вилка/розетка без защитного контакта
Выключатели, переключатели, диммеры
Выключатели, переключатели
Выключатель с электронной коммутацией
Выключатель шнуровой/диммер
Диммер
Кнопка нажимная
Крышка для выключателя, кнопки, регулятора освещенности, диммера, переключателя жалюзи
Модуль расширения мощности диммера
Переключатель жалюзи
Переключатель кнопочный миниатюрный
Переключатель трехступенчатый
Датчики движения, детекторы освещенности, таймеры
Аксессуары для датчика движения
Выключатель сумеречный (фотореле)
Датчик движения комплектный
Датчик для жалюзи/реле времени
Механизм датчика движения
Реле времени механическое для электроустановочных устройств
Розеточный таймер
Система датчиков движения
Таймер электронный для электроустановочных устройств
Дистанционное управление для ЭУИ
Выключатель инфракрасный
Передатчик/пульт дистанционного управления для электроустановочных устройств
Приемник инфракрасный
Приемник радиосигнала
Рамки, декоративные элементы, основания для ЭУИ
Вставка/крышка для коммуникационных технологий
Корпус накладной для открытого монтажа электроустановочных устройств
Основание для открытого монтажа
Рамка декоративная для электроустановочных устройств
Элемент декоративный для электроустановочных устройств
Розетки
Колодка удлинителя
Настольный розеточный блок
Розетка для электробритвы
Розетка кабельная для удлинителя
Розетка медная коммуникационная (витая пара)
Розетка с заземлением стандарта SCHUKO
Розетка силовая (штепсельная)
Розетка уравнивания потенциалов
Розетка штепсельная
Удлинители, блоки розеток, разветвители, переходники
Блок распределения питания (PDU)
Блок розеток, удлинитель
Переходник розетки мультистандартный
Сетевой шнур питания
Удлинитель кабельный на катушке/барабане
Электроустановочные устройства различного назначения
Блок управления жалюзи
Вставка электронная для электроустановочных устройств
Вызов /блок управления для больничных учреждений
Индикатор указания потребления электроэнергии
Контроллер для управления системой освещения
Коробка монтажная для подключения электроприборов (электроплиты)
Мультивставка / разъем для передачи данных и для подключения техники связи
Пост центральный для больницы
Разъем питания
Реле разделительное для жалюзи
Сигнал световой информационный для электроустановочных устройств
Система акустическая для электроустановочных устройств
Стойка электропитания (миниколонны)
Устройство передачи данных об электроэнергии
Электропитание USB
Элемент интеллектуального управления
Элемент программы для людей с ограниченными возможностями для электроустановочных устройств
Каталог
По всему сайту
По каталогу
Войти
0
Сравнение
0
Избранное
0
Корзина
Освещение
Связь, телекоммуникации
Изделия для электромонтажа
Климатические и инженерные системы
Инструменты, техника
Высоковольтное оборудование
Каталог
Каталог
По всему сайту
По каталогу
Войти
0
Сравнение
0
Избранное
0
Корзина
Телефоны
+7 (917) 968-98-95
Заказать звонок
0
0
0
Кабинет
0
Сравнение
0
Избранное
0
Корзина
Главная
Каталог
Низковольтное и промышленное электрооборудование
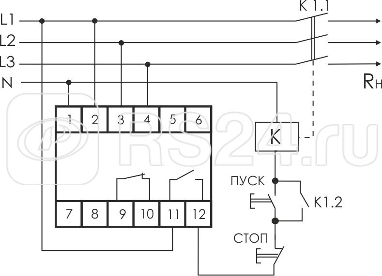
Реле
Измерительные реле
Измерительные реле
1360 товаров
Фильтр
По убыванию наличия
С начала алфавита
С конца алфавита
Сначала непопулярные
Сначала популярные
Сначала дешевые
Сначала дорогие
По возрастанию наличия
По убыванию наличия
Быстрый просмотр
Реле напряжения РН-113 1ф НовАтек-Электро 3425600113
0
Есть в наличии
Заказать
Быстрый просмотр
Реле напряжения РН-111М 1ф НовАтек-Электро 3425601111
0
Есть в наличии
Заказать
Быстрый просмотр
Реле напряжения РН-106 1ф НовАтек-Электро 3425600115
0
Есть в наличии
Заказать
Быстрый просмотр
Реле напряжения РН-104 1ф НовАтек-Электро 3425600114
0
Есть в наличии
Заказать
Быстрый просмотр
Реле напряжения и тока трехфазное с дисплеем MRVA-3 63A EKF MRVA-3-63A
0
Есть в наличии
Заказать
Быстрый просмотр
Реле напряжения и тока с дисплеем MRVA 63А PROxima EKF MRVA-63A
0
Есть в наличии
Заказать
Быстрый просмотр
Реле напряжения и тока с дисплеем MRVA 50А PROxima EKF MRVA-50A
0
Есть в наличии
Заказать
Быстрый просмотр
Реле напряжения и тока с дисплеем MRVA 40А PROxima EKF MRVA-40A
0
Есть в наличии
Заказать
Быстрый просмотр
Реле напряжения и тока с дисплеем MRVA 32А PROxima EKF MRVA-32A
0
Есть в наличии
Заказать
Быстрый просмотр
Реле напряжения и тока с дисплеем MRVA 25А PROxima EKF MRVA-25A
0
Есть в наличии
Заказать
Быстрый просмотр
Реле напряжения RESI9 63А 1P+N 230В 50Гц SchE R9A12663
0
Есть в наличии
Заказать
Быстрый просмотр
Реле напряжения PH-263 T НовАтек-Электро 3425600263т
0
Есть в наличии
Заказать
Быстрый просмотр
Реле напряжения d2-63 Welrok 4660251140069
0
Есть в наличии
Заказать
Быстрый просмотр
Реле напряжения D2-40 Welrok 4660251140021
0
Есть в наличии
Заказать
Быстрый просмотр
Реле напряжения CP-731 (трехфазный; микропроцессорный; контроль верхнего и нижнего значений напряжения; контроль асимметрии; чередования фаз; монтаж на DIN-рейке 35мм 3х400/230+N 2х8А 1Z 1R IP20) F&F EA04.009.005
0
Есть в наличии
Заказать
Быстрый просмотр
Реле напряжения CP-721-1 (CP-721-63A) (однофазное; цифровая индикация; напряжение питания 50-450В контакт 1NO 63А встроен. таймер регистрация аварий в памяти индикация текущего напряжения) (аналог УЗМ) F&F EA04.009.013
0
Есть в наличии
Заказать
Быстрый просмотр
Реле напряжения CP-721 (50-450В 30А 2 модуля IP20 монтаж на DIN-рейке)(аналог УЗМ) F&F EA04.009.003
0
Есть в наличии
Заказать
Быстрый просмотр
Реле напряжения CP-710 (однофазный; контроль верхнего и нижнего значений напряжения; монтаж на DIN-рейке 35мм; 230В 16А 1P IP20) F&F EA04.009.001
0
Есть в наличии
Заказать
Быстрый просмотр
Реле напряжения CP-700 (однофазный; цифровая индикация напряжения тип корпуса вилка-розетка; 150-300В 16А 1NO IP20) F&F EA04.009.010
0
Есть в наличии
Заказать
Быстрый просмотр
Реле напряжения «вилка-розетка» с дисплеем 16А Rexant 10-6040
0
Есть в наличии
Заказать
Загрузить еще
1
2
3
4
...
68
Фильтр
Цена
0
3 323
6 647
9 970
13 294
Бренд
Все
Все
ABB
Aqara
CHINT
DKC
EATON
EKF
EMAS
FINDER
IEK
Klemsan
Legrand
NAVIGATOR
ONI
Phoenix Contact
Rexant
Schneider Electric
SECURIC
SHUFT
Sibling
Siemens
Systeme Electric
VALFEX
Welrok
Вихрь
ВНИИР
Евроавтоматика F&F
КОНТАКТОР(группа Legrand)
КЭАЗ
Меандр
НовАтек-Электро
ОВЕН
Реле и Автоматика
Ресанта
Ридан
ЧЭАЗ
Электротехник
Эра
Верхнее значение диапазона измерений
0.002 бар (
1
)
0.004 бар (
1
)
0.005 бар (
1
)
0.1 бар (
1
)
2 бар (
2
)
3.5 бар (
2
)
6 бар (
2
)
Показать все
Взрывозащищенные
Да (
10
)
Нет (
245
)
Возможен контроль 1-фазного понижения напряжения
Да (
378
)
Нет (
252
)
Возможен контроль 1-фазного понижения тока
Да (
50
)
Нет (
34
)
Возможен контроль 3-фазного понижения напряжения
Да (
201
)
Нет (
419
)
Возможен контроль 3-фазного понижения тока
Да (
27
)
Нет (
56
)
Вспомогательное напряжение переменного тока AC с - по
0 В по 0 В (
2
)
50 В по 115 В (
8
)
Вспомогательное напряжение постоянного тока DC с - по
110 В по 110 В (
8
)
22 В по 26 В (
2
)
220 В по 220 В (
6
)
Высота
100 мм (
4
)
106 мм (
12
)
110 мм (
16
)
113 мм (
109
)
118 мм (
1
)
120 мм (
5
)
121 мм (
1
)
122 мм (
3
)
124 мм (
2
)
124.4 мм (
2
)
125 мм (
4
)
126 мм (
5
)
130 мм (
1
)
133 мм (
1
)
135 мм (
69
)
138 мм (
2
)
145 мм (
1
)
158 мм (
27
)
162 мм (
8
)
167 мм (
4
)
170 мм (
1
)
176 мм (
3
)
180 мм (
3
)
181 мм (
94
)
190 мм (
3
)
200 мм (
2
)
221 мм (
1
)
43 мм (
2
)
44 мм (
2
)
53.5 мм (
1
)
58.1 мм (
3
)
65 мм (
2
)
65.5 мм (
1
)
69 мм (
1
)
70 мм (
9
)
73 мм (
1
)
74 мм (
80
)
75 мм (
57
)
78.8 мм (
2
)
80 мм (
5
)
82 мм (
1
)
83 мм (
7
)
84 мм (
6
)
84.8 мм (
1
)
85 мм (
32
)
85.6 мм (
17
)
86 мм (
8
)
87 мм (
3
)
88 мм (
11
)
89.47 мм (
1
)
90 мм (
133
)
90.2 мм (
3
)
92 мм (
10
)
93 мм (
132
)
94 мм (
10
)
94.3 мм (
1
)
96 мм (
11
)
Показать все
Гарантийный срок
1 год (
610
)
10 лет (
65
)
12 месяцев (
81
)
18 месяцев (
279
)
2 года (
110
)
24 месяца (
82
)
3 года (
19
)
5 лет (
19
)
6 месяцев (
1
)
7 лет (
23
)
Показать все
Глубина
100 мм (
65
)
102 мм (
3
)
103.7 мм (
15
)
104.6 мм (
2
)
110 мм (
8
)
113 мм (
1
)
120 мм (
1
)
123 мм (
1
)
128 мм (
11
)
140 мм (
1
)
152 мм (
1
)
17 мм (
2
)
180 мм (
5
)
190 мм (
1
)
20 мм (
1
)
200 мм (
2
)
204 мм (
1
)
218 мм (
1
)
32.3 мм (
3
)
35 мм (
1
)
35.5 мм (
2
)
38.1 мм (
35
)
42 мм (
106
)
43 мм (
1
)
48.5 мм (
3
)
55 мм (
6
)
56.5 мм (
4
)
58 мм (
4
)
59 мм (
5
)
60 мм (
32
)
60.6 мм (
10
)
61 мм (
3
)
62 мм (
118
)
63 мм (
1
)
63.1 мм (
1
)
64 мм (
29
)
64.5 мм (
1
)
65 мм (
50
)
65.5 мм (
1
)
66 мм (
115
)
66.3 мм (
1
)
67 мм (
9
)
67.5 мм (
4
)
68 мм (
10
)
68.5 мм (
6
)
71 мм (
9
)
72 мм (
5
)
73 мм (
8
)
75 мм (
81
)
76 мм (
2
)
77 мм (
1
)
77.5 мм (
9
)
78 мм (
1
)
81 мм (
36
)
85 мм (
28
)
86 мм (
3
)
86.2 мм (
2
)
88 мм (
5
)
90 мм (
5
)
91 мм (
12
)
95 мм (
83
)
96 мм (
3
)
97.5 мм (
6
)
98 мм (
13
)
Показать все
Давление выключения с - по
-.97 бар по -.05 бар (
1
)
-1 бар по -.14 бар (
7
)
-1 бар по -.28 бар (
2
)
-1 бар по 4.5 бар (
5
)
-1 бар по 4.55 бар (
1
)
-1 бар по 9 бар (
3
)
0 бар по 0 бар (
8
)
0 бар по 1 бар (
3
)
0 бар по 10 бар (
7
)
0 бар по 100 бар (
5
)
0 бар по 16 бар (
6
)
0 бар по 160 бар (
6
)
0 бар по 2.5 бар (
1
)
0 бар по 22 бар (
1
)
0 бар по 25 бар (
9
)
0 бар по 250 бар (
6
)
0 бар по 331.4 бар (
1
)
0 бар по 40 бар (
5
)
0 бар по 400 бар (
1
)
0 бар по 41.4 бар (
1
)
0 бар по 6 бар (
5
)
0 бар по 60 бар (
5
)
0 бар по 600 бар (
4
)
0.0003 бар по 0.005 бар (
1
)
0.001 бар по 0.02 бар (
1
)
0.0012 бар по 0.046 бар (
1
)
0.002 бар по 0.242 бар (
1
)
0.003 бар по 0.3 бар (
2
)
0.009 бар по 0.272 бар (
2
)
0.01 бар по 0.94 бар (
1
)
0.01 бар по 0.96 бар (
1
)
0.02 бар по 0.96 бар (
1
)
0.02 бар по 2.37 бар (
4
)
0.05 бар по 3.65 бар (
3
)
0.05 бар по 3.75 бар (
1
)
0.07 бар по 5.2 бар (
2
)
0.07 бар по 7.6 бар (
1
)
0.1 бар по 20.5 бар (
3
)
0.1 бар по 9.5 бар (
5
)
0.13 бар по 10 бар (
1
)
0.13 бар по 9.15 бар (
5
)
0.14 бар по 2.29 бар (
3
)
0.17 бар по 2.33 бар (
2
)
0.2 бар по 2.28 бар (
1
)
0.2 бар по 2.32 бар (
2
)
0.2 бар по 3.75 бар (
2
)
0.2 бар по 4.8 бар (
7
)
0.25 бар по 33.75 бар (
6
)
0.25 бар по 9.3 бар (
2
)
0.3 бар по 10.3 бар (
9
)
0.3 бар по 18.4 бар (
4
)
0.3 бар по 3.4 бар (
1
)
0.5 бар по 5.4 бар (
1
)
0.6 бар по 19 бар (
8
)
0.7 бар по 139.2 бар (
4
)
0.8 бар по 10 бар (
4
)
1.1 бар по 10 бар (
1
)
1.1 бар по 9.9 бар (
1
)
1.4 бар по 12 бар (
1
)
1.8 бар по 32.45 бар (
3
)
10 бар по 455 бар (
3
)
10 бар по 69 бар (
1
)
12.8 бар по 160 бар (
1
)
2 бар по 25 бар (
1
)
2 бар по 62.5 бар (
7
)
2.3 бар по 61.2 бар (
7
)
2.5 бар по 33.5 бар (
1
)
2.5 бар по 61.1 бар (
1
)
2.6 бар по 263 бар (
4
)
2.6 бар по 8.2 бар (
1
)
20 бар по 250 бар (
3
)
28 бар по 210 бар (
1
)
3 бар по 139 бар (
2
)
3.2 бар по 40 бар (
3
)
3.5 бар по 265 бар (
6
)
32 бар по 400 бар (
3
)
4.5 бар по 142 бар (
5
)
6 бар по 265 бар (
1
)
6 бар по 6 бар (
1
)
7 бар по 182 бар (
1
)
7 бар по 21 бар (
1
)
7 бар по 447.4 бар (
5
)
8 бар по 100 бар (
1
)
Показать все
Давление разрыва
0 бар (
2
)
0.225 бар (
1
)
100 бар (
8
)
1000 бар (
6
)
12 бар (
1
)
120 бар (
4
)
1200 бар (
5
)
135 бар (
1
)
1350 бар (
12
)
140 бар (
1
)
150 бар (
4
)
1500 бар (
3
)
160 бар (
10
)
1600 бар (
1
)
17 бар (
4
)
18 бар (
23
)
180 бар (
5
)
20 бар (
3
)
2250 бар (
8
)
23 бар (
6
)
24 бар (
5
)
2400 бар (
3
)
3 бар (
2
)
30 бар (
23
)
320 бар (
17
)
4.5 бар (
5
)
40 бар (
4
)
400 бар (
1
)
45 бар (
14
)
48 бар (
4
)
5 бар (
3
)
600 бар (
6
)
62 бар (
2
)
62.5 бар (
1
)
67.5 бар (
8
)
690 бар (
3
)
7 бар (
2
)
720 бар (
12
)
75 бар (
7
)
9.7 бар (
1
)
90 бар (
14
)
960 бар (
6
)
Показать все
Давление срабатывания с - по
-.5 бар по 5 бар (
5
)
-.55 бар по 5 бар (
1
)
-.76 бар по -.04 бар (
2
)
-.86 бар по -.01 бар (
3
)
-.87 бар по -.01 бар (
4
)
-1 бар по -1 бар (
1
)
-1 бар по 9 бар (
3
)
0 бар по 0 бар (
10
)
0 бар по 1 бар (
4
)
0 бар по 10 бар (
7
)
0 бар по 100 бар (
5
)
0 бар по 16 бар (
6
)
0 бар по 160 бар (
6
)
0 бар по 2.5 бар (
1
)
0 бар по 203.1 бар (
1
)
0 бар по 21 бар (
1
)
0 бар по 25 бар (
9
)
0 бар по 250 бар (
6
)
0 бар по 331.4 бар (
1
)
0 бар по 40 бар (
5
)
0 бар по 400 бар (
1
)
0 бар по 41.4 бар (
1
)
0 бар по 6 бар (
5
)
0 бар по 60 бар (
5
)
0 бар по 600 бар (
4
)
0.0026 бар по 0.05 бар (
1
)
0.03 бар по 1 бар (
1
)
0.04 бар по 0.2 бар (
1
)
0.042 бар по 0.33 бар (
3
)
0.045 бар по 0.35 бар (
2
)
0.05 бар по 1 бар (
2
)
0.07 бар по 5.2 бар (
2
)
0.07 бар по 7.6 бар (
1
)
0.13 бар по 10 бар (
1
)
0.15 бар по 1 бар (
1
)
0.15 бар по 2.5 бар (
4
)
0.25 бар по 4 бар (
1
)
0.3 бар по 2.5 бар (
8
)
0.3 бар по 4 бар (
2
)
0.4 бар по 4 бар (
3
)
0.5 бар по 10 бар (
4
)
0.5 бар по 6 бар (
1
)
0.6 бар по 10 бар (
4
)
0.7 бар по 10 бар (
7
)
1 бар по 20 бар (
7
)
1 бар по 6 бар (
7
)
1 бар по 9.8 бар (
1
)
1.25 бар по 25 бар (
1
)
1.3 бар по 12 бар (
9
)
1.3 бар по 20 бар (
6
)
1.4 бар по 12 бар (
1
)
1.5 бар по 35 бар (
6
)
10 бар по 160 бар (
9
)
10 бар по 69 бар (
1
)
12 бар по 160 бар (
2
)
2 бар по 40 бар (
3
)
20 бар по 300 бар (
6
)
20 бар по 400 бар (
3
)
22 бар по 300 бар (
5
)
3 бар по 9 бар (
1
)
3.5 бар по 25 бар (
3
)
3.5 бар по 35 бар (
4
)
30 бар по 500 бар (
8
)
5 бар по 100 бар (
1
)
5 бар по 16 бар (
1
)
5 бар по 70 бар (
7
)
7 бар по 182 бар (
1
)
7 бар по 70 бар (
8
)
8 бар по 160 бар (
4
)
Показать все
Диаметр
0 мм (
1
)
22.8 мм (
3
)
26 мм (
54
)
36 мм (
4
)
Диапазон измерения напряжения 1 по
40 В (
1
)
Диапазон измерения напряжения 1 с
160.6 В (
1
)
228 В (
1
)
277.4 В (
1
)
Диапазон измерения напряжения 1 с - по
0 В по 0 В (
2
)
0 В по 152 В (
3
)
0 В по 160 В (
1
)
0 В по 540 В (
4
)
0 В по 550 В (
2
)
0 В по 88 В (
1
)
0.05 В по 0.5 В (
1
)
0.05 В по 5 В (
2
)
0.1 В по 0.1 В (
4
)
1 В по 100 В (
3
)
1.4 В по 32 В (
1
)
1.6 В по 3.2 В (
1
)
10 В по 10 В (
6
)
10 В по 40 В (
1
)
10 В по 50 В (
2
)
100 В по 100 В (
2
)
100 В по 200 В (
3
)
100 В по 210 В (
5
)
100 В по 300 В (
1
)
100 В по 400 В (
2
)
100 В по 420 В (
3
)
114 В по 570 В (
1
)
12 В по 24 В (
3
)
12 В по 30 В (
14
)
12 В по 48 В (
2
)
120 В по 210 В (
53
)
120 В по 290 В (
1
)
132 В по 132 В (
1
)
140 В по 210 В (
16
)
15 В по 30 В (
6
)
15 В по 37.5 В (
12
)
15 В по 500 В (
3
)
15 В по 60 В (
1
)
15 В по 600 В (
1
)
150 В по 210 В (
11
)
150 В по 250 В (
4
)
150 В по 415 В (
1
)
154 В по 220 В (
1
)
154 В по 286 В (
1
)
16.8 В по 22.8 В (
2
)
160 В по 210 В (
10
)
160 В по 220 В (
9
)
160 В по 230 В (
2
)
161 В по 218.5 В (
5
)
161 В по 276 В (
1
)
163 В по 297 В (
1
)
165 В по 165 В (
1
)
165 В по 175 В (
2
)
165 В по 205 В (
1
)
165 В по 215 В (
2
)
165 В по 220 В (
2
)
165 В по 240 В (
2
)
165 В по 260 В (
1
)
166 В по 220 В (
2
)
17 В по 17 В (
1
)
17 В по 275 В (
1
)
170 В по 170 В (
1
)
172.5 В по 218.5 В (
2
)
176 В по 209 В (
4
)
176 В по 220 В (
1
)
176 В по 264 В (
1
)
180 В по 180 В (
2
)
180 В по 245 В (
2
)
183 В по 264 В (
1
)
184 В по 253 В (
4
)
19 В по 23 В (
3
)
195 В по 570 В (
2
)
195.5 В по 195.5 В (
2
)
20 В по 20 В (
2
)
20 В по 275 В (
1
)
20 В по 80 В (
2
)
225 В по 275 В (
1
)
228 В по 228 В (
2
)
230 В по 230 В (
2
)
230 В по 300 В (
2
)
24 В по 240 В (
2
)
240 В по 384 В (
1
)
240 В по 440 В (
1
)
253 В по 253 В (
8
)
280 В по 280 В (
2
)
280 В по 380 В (
1
)
285 В по 361 В (
1
)
290.5 В по 394.25 В (
1
)
3 В по 600 В (
17
)
300 В по 300 В (
2
)
300 В по 380 В (
2
)
300 В по 480 В (
5
)
310.5 В по 310.5 В (
1
)
320 В по 440 В (
3
)
332 В по 456.5 В (
1
)
40 В по 100 В (
14
)
40 В по 160 В (
1
)
40 В по 80 В (
3
)
40.6 В по 55.1 В (
1
)
400 В по 550 В (
2
)
42 В по 55 В (
2
)
48 В по 220 В (
1
)
48 В по 57 В (
1
)
50 В по 100 В (
3
)
50 В по 125 В (
7
)
50 В по 160 В (
1
)
50 В по 200 В (
3
)
50 В по 450 В (
1
)
517.5 В по 655.5 В (
1
)
540 В по 540 В (
1
)
552 В по 759 В (
4
)
572 В по 786.5 В (
1
)
6 В по 24.6 В (
1
)
60 В по 320 В (
1
)
60 В по 60 В (
2
)
65 В по 260 В (
1
)
65 В по 65 В (
2
)
66 В по 126.5 В (
1
)
66 В по 66 В (
1
)
70 В по 440 В (
1
)
70 В по 95 В (
3
)
75 В по 125 В (
1
)
75 В по 95 В (
2
)
77 В по 104.5 В (
2
)
8 В по 16 В (
1
)
80 В по 100 В (
1
)
80 В по 110 В (
3
)
80 В по 160 В (
3
)
80 В по 200 В (
14
)
80 В по 300 В (
1
)
80 В по 440 В (
2
)
85 В по 230 В (
1
)
88 В по 104 В (
2
)
88 В по 121 В (
1
)
88 В по 132 В (
1
)
9 В по 9 В (
2
)
90 В по 450 В (
9
)
91 В по 122 В (
1
)
93.1 В по 126.35 В (
1
)
95 В по 450 В (
1
)
Показать все
Диапазон измерения напряжения 2 с
110 В (
1
)
160 В (
1
)
190 В (
1
)
266 В (
1
)
Диапазон измерения напряжения 2 с - по
0 В по 0 В (
18
)
0 В по 152 В (
2
)
0.5 В по 5 В (
1
)
100 В по 100 В (
1
)
100 В по 200 В (
3
)
100 В по 250 В (
7
)
100 В по 300 В (
1
)
104 В по 115 В (
1
)
105 В по 125 В (
2
)
105 В по 130 В (
3
)
110 В по 110 В (
1
)
110 В по 210 В (
2
)
115 В по 132 В (
2
)
115.5 В по 143 В (
2
)
12 В по 60 В (
2
)
130 В по 130 В (
2
)
132 В по 163 В (
1
)
139.65 В по 172.9 В (
1
)
143 В по 143 В (
1
)
15 В по 15 В (
2
)
154 В по 154 В (
1
)
16 В по 32 В (
1
)
160 В по 320 В (
3
)
160 В по 400 В (
14
)
165 В по 260 В (
1
)
165 В по 275 В (
1
)
170 В по 170 В (
1
)
182 В по 264 В (
1
)
20 В по 20 В (
1
)
20 В по 80 В (
2
)
200 В по 200 В (
3
)
200 В по 376 В (
1
)
200 В по 400 В (
3
)
209 В по 231 В (
1
)
215 В по 264 В (
1
)
220 В по 280 В (
42
)
220 В по 286 В (
1
)
220 В по 295 В (
2
)
220 В по 300 В (
12
)
225 В по 275 В (
2
)
230 В по 260 В (
7
)
230 В по 270 В (
1
)
230 В по 280 В (
14
)
230 В по 290 В (
2
)
230 В по 300 В (
11
)
230 В по 310 В (
2
)
231 В по 264 В (
3
)
235 В по 295 В (
1
)
24 В по 240 В (
2
)
24 В по 48 В (
3
)
24 В по 60 В (
14
)
240 В по 290 В (
8
)
240 В по 295 В (
4
)
240 В по 300 В (
6
)
241.5 В по 276 В (
1
)
241.5 В по 287.5 В (
1
)
241.5 В по 299 В (
4
)
25 В по 29 В (
3
)
25.2 В по 31.2 В (
2
)
260 В по 260 В (
4
)
260 В по 275 В (
2
)
265 В по 265 В (
1
)
265 В по 300 В (
1
)
266 В по 266 В (
2
)
276 В по 299 В (
1
)
280 В по 440 В (
1
)
299 В по 299 В (
4
)
3.2 В по 6.4 В (
1
)
30 В по 30 В (
2
)
30 В по 60 В (
6
)
30 В по 75 В (
12
)
300 В по 480 В (
5
)
316 В по 456 В (
1
)
380 В по 494 В (
1
)
400 В по 475 В (
1
)
400 В по 520 В (
1
)
420 В по 500 В (
2
)
420 В по 520 В (
1
)
435.75 В по 539.5 В (
1
)
48 В по 60 В (
1
)
50 В по 130 В (
1
)
50 В по 50 В (
1
)
517.5 В по 897 В (
1
)
520 В по 520 В (
3
)
539.5 В по 539.5 В (
1
)
61 В по 74 В (
2
)
63 В по 72 В (
1
)
65 В по 260 В (
1
)
650 В по 650 В (
2
)
655.5 В по 897 В (
1
)
77 В по 143 В (
1
)
77 В по 77 В (
1
)
80 В по 130 В (
1
)
80 В по 160 В (
3
)
80 В по 200 В (
14
)
80 В по 80 В (
2
)
897 В по 897 В (
3
)
929.5 В по 929.5 В (
1
)
Показать все
Дифференциальный выключатель давления
0 бар (
47
)
0.0003 бар (
1
)
0.001 бар (
1
)
0.03 бар (
1
)
0.04 бар (
1
)
0.08 бар (
1
)
0.13 бар (
4
)
0.19 бар (
1
)
0.192 бар (
2
)
0.24 бар (
2
)
0.25 бар (
2
)
0.3 бар (
4
)
0.35 бар (
3
)
0.4 бар (
1
)
0.48 бар (
2
)
0.5 бар (
5
)
0.57 бар (
3
)
0.6 бар (
2
)
0.67 бар (
4
)
0.69 бар (
1
)
0.75 бар (
2
)
1 бар (
8
)
1.2 бар (
5
)
1.23 бар (
1
)
1.25 бар (
6
)
1.3 бар (
1
)
1.4 бар (
1
)
1.54 бар (
3
)
1.7 бар (
3
)
12 бар (
3
)
163 бар (
4
)
17.45 бар (
3
)
18 бар (
5
)
2 бар (
2
)
2.15 бар (
1
)
2.33 бар (
3
)
20 бар (
2
)
21 бар (
1
)
249.4 бар (
6
)
28 бар (
1
)
3 бар (
2
)
35 бар (
6
)
38 бар (
1
)
4.2 бар (
6
)
4.5 бар (
2
)
4.8 бар (
2
)
41.2 бар (
6
)
42 бар (
2
)
45 бар (
3
)
5 бар (
1
)
5.5 бар (
4
)
50 бар (
1
)
6 бар (
1
)
6.65 бар (
2
)
7.3 бар (
18
)
7.5 бар (
11
)
79.2 бар (
4
)
8.4 бар (
6
)
9.4 бар (
4
)
9.5 бар (
2
)
Показать все
Дифференциальный шаг переключения
0.2 бар (
1
)
Выбрано
0
Показать
0
Показать
0
Сбросить
Главная
Каталог
0
Корзина
0
Избранные
Кабинет
0
Сравнение
Акции
Контакты
Услуги
Бренды
Отзывы
Компания
Лицензии
Документы
Реквизиты
Регион
Поиск
Блог
Обзоры